新闻动态
NEWS INFORMATION
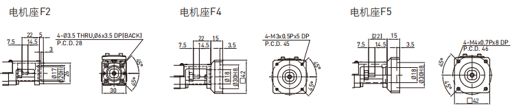
单轴机器人:适用电机对照表-KC030、KC040
创建时间:2026-03-12 06:59
KC030

KC040


Copyright © 2025 上银导轨官网_HIWIN导轨_上银丝杆模组 All Rights Reserved 备案号:沪ICP备2021033540号
新闻动态
NEWS INFORMATION




Copyright © 2025 上银导轨官网_HIWIN导轨_上银丝杆模组 All Rights Reserved 备案号:沪ICP备2021033540号