首页
关于上银
产品介绍
直线导轨
滚珠丝杠
直线电机定位平台
直驱电机
多轴机器人
回转工作台
力矩电机
DATORKER@谐波减速机
末端效应器
轴承
驱动器与控制器
半导体次系统
滚珠花键
新闻动态
直线导轨
直线模组
滚珠丝杆
直线电机
回转工作台
联系上银
끠
18913139319
(微信同号)
新闻动态
NEWS INFORMATION
넳
넲
首页
ꄲ
新闻动态
ꄲ
回转工作台
ꄲ
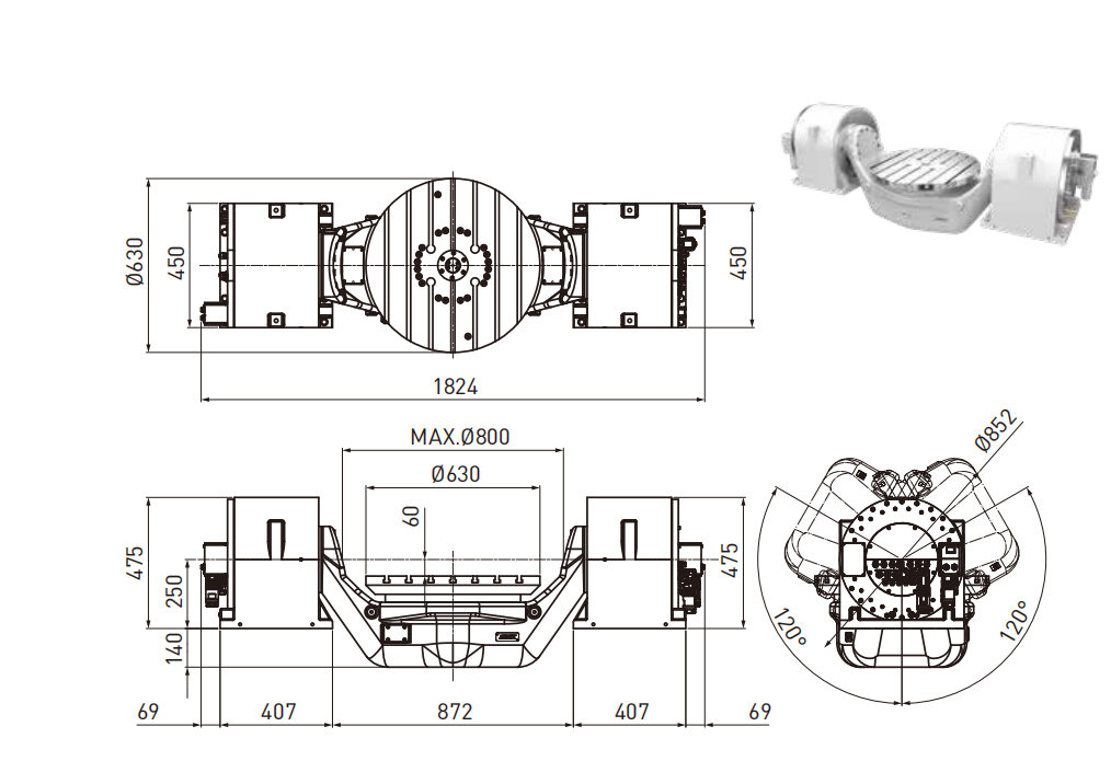
回转工作台-RAB系列-RAB-630、RAB-8
回转工作台-RAB系列-RAB-630、RAB-8
创建时间:
2025-11-28
06:44
RAB-630
(单位
:mm
)
RAB-800
(
单位
:mm)
本网站由阿里云提供云计算及安全服务
本网站支持
IPv6
本网站由阿里云提供云计算及安全服务
本网站支持
IPv6
本网站由阿里云提供云计算及安全服务
本网站支持
IPv6
本网站由阿里云提供云计算及安全服务
本网站支持
IPv6