首页
关于上银
产品介绍
直线导轨
滚珠丝杠
直线电机定位平台
直驱电机
多轴机器人
回转工作台
力矩电机
DATORKER@谐波减速机
末端效应器
轴承
驱动器与控制器
半导体次系统
滚珠花键
新闻动态
直线导轨
直线模组
滚珠丝杆
直线电机
回转工作台
联系上银
끠
15250417671
新闻动态
NEWS INFORMATION
넳
넲
首页
ꄲ
新闻动态
ꄲ
直线导轨
ꄲ
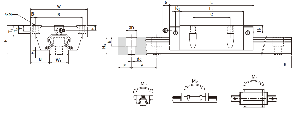
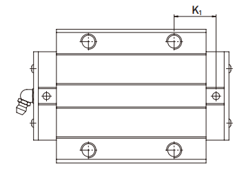
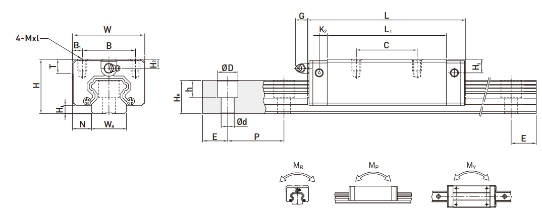
直线导轨-HG系列重负荷型滚珠线性滑轨 HG系列直线导轨尺寸表
直线导轨-HG系列重负荷型滚珠线性滑轨 HG系列直线导轨尺寸表
创建时间:
2025-10-22
06:46
HG
系列直线导轨尺寸表
HGH-CA/HGH-HA
HGL-CA/HGL-HA
HGW-CA/HGW-HA
HGW-CB/HGW-HB
HGW-CC/HGW-HC
HGR-T
下锁式导轨尺寸表
本网站由阿里云提供云计算及安全服务
本网站支持
IPv6
本网站由阿里云提供云计算及安全服务
本网站支持
IPv6
本网站由阿里云提供云计算及安全服务
本网站支持
IPv6
本网站由阿里云提供云计算及安全服务
本网站支持
IPv6